Home
Products
Distributors
Representatives
About Vimex
Locations
Contact Us
Search
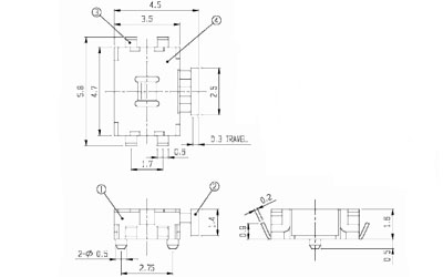
TC-26402-T01 - Main Index
Document
DRAWING
SPECIFICATIONS
PART NUMBER SYSTEM
RoHS