Home
Products
Distributors
Representatives
About Vimex
Locations
Contact Us
Search
SS-24D03 - Main Index
Document
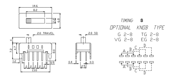
Knob Types
DRAWING
SPECIFICATIONS
PART NUMBER SYSTEM
KNOB TYPES
RoHS