Home
Products
Distributors
Representatives
About Vimex
Locations
Contact Us
Search
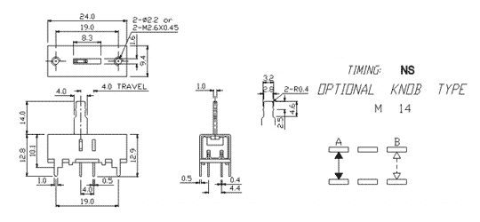
SS-12H19 - Main Index
Document
Knob types
DRAWING
SPECIFICATIONS
PART NUMBER SYSTEM
KNOB TYPES
RoHS