Home
Products
Distributors
Representatives
About Vimex
Locations
Contact Us
Search
PS-22F15 - Main Index
Document
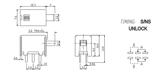
DRAWING
SPECIFICATIONS
PART NUMBER SYSTEM
KNOB TYPES
RoHS
ADDITIONAL MODELS
PS-22F17