Home
Products
Distributors
Representatives
About Vimex
Locations
Contact Us
Search
SCP-2006 - Main Index
Document
Photo
Notes
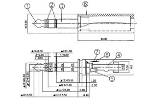
DRAWING
Contact Resistance: 30m
Ω max
Insulation Resistance: 100MΩ min. at DC 500V
Dielectric Withstand Voltage: AC 500V for 1 minute
RoHS