Home
Products
Distributors
Representatives
About Vimex
Locations
Contact Us
Search
SCJ-3513-SMT-A Series - Index
DRAWINGS
DRAWINGS
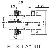
SCJ-3513-SMT-A
Document
Notes
SPECIFICATIONS
Available in
STEREO
RoHS